產品中心
解決方案
聯系我們
深圳市東么川伺服控制技術有限公司
電話:13316379101
郵箱:1355229533@qq.com
地址:深圳市龍華區民治街道樟坑社區青創城A棟B502
86直流無刷電機-無刷伺服電機-直流無刷廠家

型號:86mm
名稱:86直流無刷電機-無刷伺服電機-直流無刷廠家
簡介:
東么川伺服86mm工業級直流無刷電機具有啟動電壓穩定,體積小,扭力大,噪音低,壽命長,效率高,精度準,節能環保等優勢。廣泛應用于醫療泵,攪拌儀器,蠕動泵,生物制藥設備,繞線機,印刷機,機器人,研磨,切割,鉆孔,自動輸送系統,自動定位系統,物位控制系統,電動執行機構,電動閥門,自動販賣機,電動展示臺,太陽能跟蹤系統,衛星信號跟蹤系統,紙幣捆扎機等領域。
- 規格參數
- 產品特點
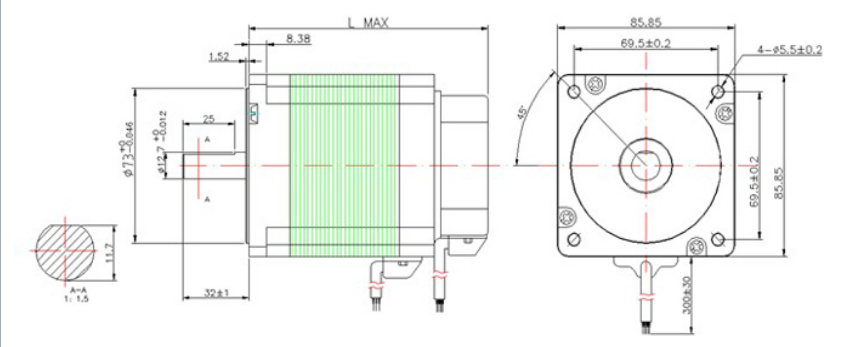
- 產品尺寸圖
- 匹配產品
- 應用領域
- 資料下載

型號 | 機座尺寸(mm) | 額定功率(W) | 電機長度 | 額定電壓(VDC) | 額定轉矩(Nm) | 額定電流(A) | 額定轉速(rpm) |
(mm) | |||||||
86BL-77 | 86 | 300 | 77 | 48V | 0.8 | 5.6 | 3000 |
86BL-100 | 86 | 500 | 98 | 48V | 1.6 | 12 | 3000 |
86BL-125 | 86 | 750 | 125 | 48V | 2.22 | 17 | 3000 |
●進口配件,使用壽命更長。
●低震動,小噪音。
●相同體積,輸出轉矩更大。
●更高轉速,溫升更低。
● 工作電壓 、 運行轉速可根據用戶需求訂制。
● 輸出軸徑 、軸長、及出軸方式可根據用戶需求訂制。
● 電機極對數、霍爾傳感器角度可根據用戶需求訂制。
● 用戶可選擇有、無霍爾驅動。
● 可選配:減速結構、剎車器、內置驅動器。
● 端蓋可用鋁合金或不銹鋼材料。
● 軸承型式:含油軸承或滾動軸承。
● 電機順時針或逆時針旋轉皆可。


● 驅動器:PMS718A / DBLS515 / PNS880A
● 電 源:通用直流電源輸入
- 上一篇:42mm直流無刷電機
- 下一篇:沒有了!
相關產品:兩相步進電機
相關產品:無刷電機
相關產品:兩相步進驅動器
相關產品:產品中心



























地址 ADDRESS