四虎影视在线影院在线观看免费视频丨蜜桃精品成人影片丨老熟妇乱子伦牲交视频丨国产情侣激情在线对白丨日本无乱码高清在线观看

步進電機

步進驅動器
電話:15002093712
當前位置:??首頁>>產品中心>>行星減速機
產品中心
解決方案
聯系我們

深圳市東么川伺服控制技術有限公司

電話:13316379101

郵箱:1355229533@qq.com

地址:深圳市龍華區民治街道樟坑社區青創城A棟B502

DCF+85精密行星減速機
型號:DCF+85 名稱:DCF+85精密行星減速機 簡介:
  • 規格參數
  • 產品特點
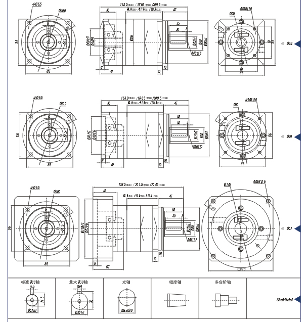
  • 產品尺寸圖
  • 匹配產品
  • 應用領域
  • 資料下載

參數:

級數單級雙級
減速比(i)345710121620252835405070
額定輸出力矩2n(Nm)60.088.095.066.040.098.098.098.0105.098.0105.098.0105.075.0
最大輸出力矩T 2not  (Nm)120.0176.0190.0132.080.0196.0196.0196.0210.0196.0210.0196.0210.0150.0
轉動慣量j1(kgc㎡)0.720.520.450.410.350.720.520.450.450.410.410.350.350.35
 
級數三級
減速比(i)801001251401752002502803504005007001000
額定輸出力矩T 2n(Nm)125.012.5135.5125.5135.5125.0135.0125.0135.0125.0135.093.058.0
最大輸出力矩T 2not  (Nm)250.0250.0270.0250.0270.0250.0270.0250.0270.0250.0270.0186.0116.0
轉動慣量j1(kgc㎡)0.450.450.450.410.410.350.350.350.350.350.350.350.35
 
級數單級雙級三級
額定輸入轉速n 1N(rpm)350035003500
最大輸入轉速n 1B(rpm)600060006000
最大容許徑向力F 2rb(N)376046007480
最大容許軸向力F 2aB(N)6000760012000
空載力矩(Nm)約0.7約0.3約0.3
滿載效率(%)96 9490
回程間隙(arcmin)精密側隙<3<>標準側隙<8<>精密側隙<5<>標準側隙<10<>精密側隙<8<>標準側隙<12<>
噪音(dB)&le;60&le;60&le;60
重量(kg)1.21.51.8
平均壽命(h)>20000
抗扭剛性(Nm/amin)7.5
潤滑油長效潤滑
旋轉方向輸入輸出同向
保護等級IP65
安裝方式任意



●減速比(i=Nin/Nout)。


●減速機回程間隙是在受力2%的額定輸出力矩T2N下測得。


●最大容許徑向力/軸向力:單級在輸出轉速為100rpm時,雙級在輸出轉速為50rpm時,三級在輸出轉速為10rpm時,作用于輸出軸中心位置(1/2軸長處)所測得允許徑向力及軸向力。


●噪聲值是在額定輸入轉速  1N=3000rpm且無負載下測得。


●減速機壽命是在額定負載下,連續運轉的時間。


●配電機尺寸:電機不同,與之匹配的尺寸將有所變化,適配器將不同。本公司減速機能與任何電機匹配安裝。


●轉動慣量:指減速機輸入端啟動需要的慣量值,樣本上均指輸入軸徑為&Oslash;19時的結果。



    相關產品:兩相步進電機



    相關產品:無刷電機



    相關產品:兩相步進驅動器



    相關產品:產品中心