產品中心
解決方案
聯系我們
深圳市東么川伺服控制技術有限公司
電話:13316379101
郵箱:1355229533@qq.com
地址:深圳市龍華區民治街道樟坑社區青創城A棟B502
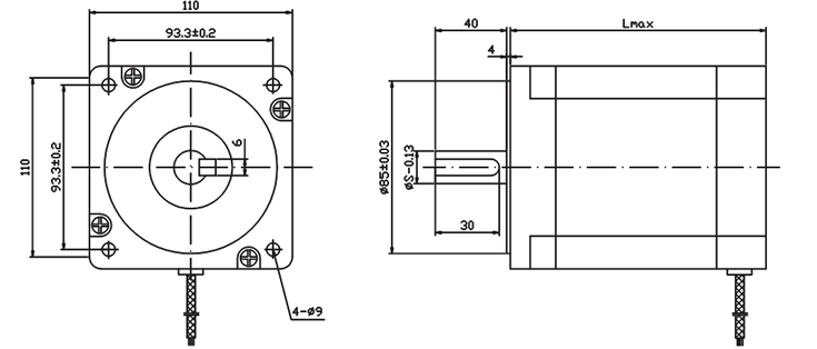
110mm系列混合式步進

型號:110mm
名稱:110mm系列混合式步進
簡介:
110mm系列三相混合式步進電機,基于業界先進的磁路設計方案。在選材上,采用耐高溫永磁體和優質冷軋鋼片制造,選用日本NMB或NSK軸承,電機表面經噴塑或鋁殼密封處理。
- 規格參數
- 產品特點
- 產品尺寸圖
- 匹配產品
- 應用領域
- 資料下載

| 項目 | 技術參數 |
| 步距角 | 1.2° |
| 步距角精度 | ±5%(整步,空載) |
| 電阻精度 | ±10%(@20°) |
| 電感精度 | ±20%( 1KHz) |
| 溫升 | 80℃Max.(額定電流,2相通電) |
| 環境溫度 | -20°~ + 50℃ |
| 絕緣電阻 | 100MΩMin.500VDC |
| 耐壓 | 500VAC一分鐘 |
| 徑向間隙 | 0.6mmMax.(450g負載) |
| 軸向間隙 | 0.8 mmMax.(450g負載) |
型號參數:
| 型號 | 步距角(度) | 額定電流(A) | 相電阻 (Ω) | 相電感 (mH) | 保持轉矩 (N.M) | 轉子慣量 (g.c㎡) | 重量(kg) | 機身長 (mm) | 軸徑 (mm) | 引線數 |
| 1103S08 | 1.2 | 6.90 | 1.25 | 4.49 | 8 | 6000 | 5.0 | 124.5 | 19 | 平鍵6x30 |
| 1103S12 | 1.2 | 6.90 | 1.89 | 8.34 | 12 | 9720 | 6.6 | 148.0 | 19 | 平鍵9x30 |
| 1103S16 | 1.2 | 6.90 | 1.89 | 8.73 | 16 | 13560 | 9.0 | 182.0 | 19 | 平鍵6x30 |
| 1103S20 | 1.2 | 6.90 | 1.89 | 7.26 | 20 | 17400 | 11.1 | 216.0 | 19 | 平鍵6x30 |
110mm三相步進電機該系列電機具有輸出轉矩大、低溫升、低噪聲、低振動的特點,可靠性和穩定性高。電機運行平穩,無明顯的振蕩區,可滿足自動化行業不同工況的使用。
●雙極性 1.2
●機座號:110
●保持轉矩:8.0~20.0N.M
●輸出轉矩大 ,高轉速
●電機發熱小,噪音低,效率高
●高速停止平穩快速,無零速振蕩運行平穩,振動噪聲小
●響應速度快,適合頻繁啟停的場合

- 上一篇:130mm三相步進 轉巨大
- 下一篇:86mm三相混合式步進
相關產品:兩相步進電機
相關產品:無刷電機
相關產品:兩相步進驅動器
相關產品:產品中心




























地址 ADDRESS