新聞中心
產品中心
聯系我們

深圳市東么川伺服控制技術有限公司
電話:13316379101
郵箱:1355229533@qq.com
地址:深圳市龍華區民治街道樟坑社區青創城A棟B502
130MM三相步進電機_130三相步進電機接線圖、安裝
發布時間:2020-08-12 08:38:21

130MM三相混合式步進電機技術參數
項目 | 技術參數 |
步距角 | 1.2° |
步距角精度 | ±5%(整步,空載) |
電阻精度 | ±10%(@20°) |
電感精度 | ±20%(1KHz) |
溫升 | 80 ℃ Max.(額定電流,2相通電) |
環境溫度 | -20℃~﹢50℃ |
絕緣電阻 | 100MΩMin.500VDC |
耐壓 | 500VAC一分鐘 |
徑向間隙 | 0.025mmMax.(450g負載) |
軸向間隙 | 0.1-0.3mmMax.(450g負載) |
130MM三相混合式步進電機型號參數:
型號 |
步距角 (度) |
額定電流 (A) |
相電阻 (Ω) |
相電感 (mH) |
保持轉矩 (N.M) |
轉子慣量 (g.c㎡) |
重量 (kg) |
機身長 (mm) |
軸徑 (mm) |
引線數 |
1303S15 | 1.2 | 6.90 | 0.88 | 3.70 | 15 | 20000 | 11.0 | 154.0 | 24 | 平鍵8x30 |
1303S20 | 1.2 | 6.90 | 1.10 | 4.90 | 20 | 25700 | 14.1 | 183.0 | 24 | 平鍵8x30 |
1303S28 | 1.2 | 6.90 | 2.80 | 17.90 | 28 | 33970 | 17.2 | 215.0 | 24 | 平鍵8x30 |
1303S35 | 1.2 | 6.90 | 3.30 | 21.52 | 35 | 41240 | 19.8 | 247.0 | 24 | 平鍵8x30 |
1303S50 | 1.2 | 6.90 | 4.20 | 28.90 | 50 | 55780 | 25.0 | 311.0 | 24 | 平鍵8x30 |
注:以上為步進電機常用型號,其它型號可根據客戶要求定制
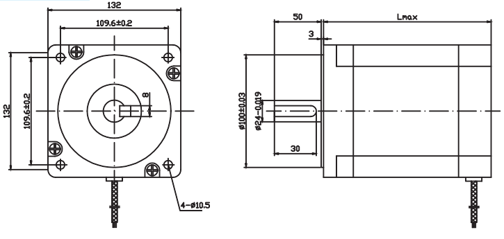
130MM三相混合式步進電機外形尺寸

深圳市東么川伺服控制技術有限公司是一家專門從事步進電機、無刷電機、伺服電機、減速機、步進電機驅動器、直流無刷驅動器等伺服控制產品技術研發、生產和銷售的高新技術廠家,公司擁有一支勇于創新、追求卓越、經驗豐富的研發專家團隊專注于數字馬達控制。經過多年的潛心研發,無論在硬件設計還是軟件核心算法技術上取得了重大突破,成為行業少數擁有真正自主技術核心的公司,其中,數字式步進驅動器FD系列及DM系列為自主核心技術成功應用的DSP技術產品,FD系列產品在低速,中速,高速性能方面優于業內各家數字式產品。

深圳市東么川伺服控制技術有限公司是一家專門從事步進電機、無刷電機、伺服電機、減速機、步進電機驅動器、直流無刷驅動器等伺服控制產品技術研發、生產和銷售的高新技術廠家,公司擁有一支勇于創新、追求卓越、經驗豐富的研發專家團隊專注于數字馬達控制。經過多年的潛心研發,無論在硬件設計還是軟件核心算法技術上取得了重大突破,成為行業少數擁有真正自主技術核心的公司,其中,數字式步進驅動器FD系列及DM系列為自主核心技術成功應用的DSP技術產品,FD系列產品在低速,中速,高速性能方面優于業內各家數字式產品。
產品推薦:兩相步進電機
產品推薦:無刷電機
產品推薦:兩相步進驅動器
產品推薦:直流無刷驅動器