新聞中心
產品中心
聯系我們

深圳市東么川伺服控制技術有限公司
電話:13316379101
郵箱:1355229533@qq.com
地址:深圳市龍華區民治街道樟坑社區青創城A棟B502
110兩相混合式步進電機產品操作手冊
發布時間:2020-06-08 02:49:18
1.步進電機使用指導
在使用之前,請您仔細詳讀本手冊以確保使用上的正確。此外,請將它妥善放置在安全的地點以便隨時查閱。下列在您尚未讀完本手冊時,請務必遵守事項:l 安裝的環境必須沒有水氣,腐蝕性氣體及可燃性氣體
l 接線時禁止將電源接至電機輸出端子,一旦接錯時將損壞驅動器
l 在通電時,請勿拆解驅動器、電機或更改配線
l 在通電運作前,請確定緊急停機裝置是否隨時啟動
l 在通電運作時,請勿接觸散熱片,以免燙傷
本使用操作手冊適合下列使用者參考
l 安裝或配線人員
l 試轉調機人員
l 維護或檢查人員
步進電機用于通用工業設備。要注意下列事項:
(1).為了確保正確操作,在安裝、接線和操作之前必須通讀操作說明書。(2).勿改造產品。
(3).當在下列情況下使用本產品時,應該采取有關操作、維護和管理的相關措施。在這種情況下,請與我們聯系。
① 用于與生命相關的醫療器械。
② 用于可能造成人身安全的設備,例如:火車或升降機。
③ 用于可能造成社會影響的計算機系統
④ 用于有關對人身安全或對公共設施有影響的其他設備。
(4).對用于易受震動的環境,例如:交通工具上操作,請咨詢我們。
(5).如未按上述要求操作,造成直接或間接損失,我司將不承擔相關責任。
2.產品規格說明
項目 | 技術參數 |
步距角 | 1.8° |
步距角精度 | ±5%(整步,空載) |
電阻精度 | ±10%( @20°) |
電感精度 | ±20%( 1KHz) |
溫升 | 80℃Max.(額定電流,2相通電) |
環境溫度 | -20°~ + 50℃ |
絕緣電阻 | 100MΩMin.500VDC |
耐壓 | 500VAC/Min |
徑向間隙 | 0.02mmMax.(450g負載) |
軸向間隙 | 0.08 mmMax.(450g負載) |
徑向最大負載 | 220N(距法蘭面20mm) |
軸向最大負載 | 60N |
3.技術參數:

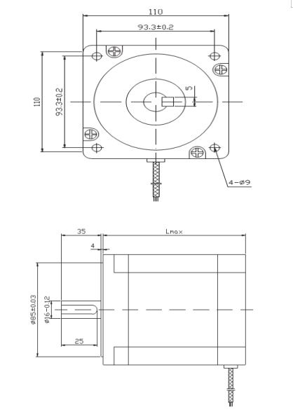
4.外形尺寸:

5.步進電機接線方式:

6.附:東么川保修條款
為創造品牌,提高企業知名度,樹立企業形象,我公司本著“一切追求高質量,用戶滿意為宗旨”的精神,以“最優惠的價格、最周到的服務、最可靠的產品質量”的原則向您鄭重承諾:一年保修期,東么川公司對產品的原材料和工藝缺陷提供從發貨日起一年的質保,在保修期內,東么川為有缺陷的產品提供免費維修服務。- 上一篇:DM3722B步進電機驅動器使用說明
- 下一篇:混合式步進電機啟動頻率過高有什么影響
產品推薦:兩相步進電機
產品推薦:無刷電機
產品推薦:兩相步進驅動器
產品推薦:直流無刷驅動器